 
                    
                    
                    8 (800) 775 40 55
                        Звонок из регионов России
бесплатный!
                    бесплатный!
                        Профессиональный строительный инструмент и оборудование
                        
                            
                        
                    
                                            Каталог инструментов
                        
                        
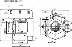
                                    Нагнетатель воздуха в ручные сварочные термофены Leister Robust
 
				
				
			Нагнетатель воздуха в ручные сварочные термофены Leister Robust (Ляйстер Робуст) – компактный и бесшумный, вихревой вентилятор высокого давления для подачи воздуха в строительные фены Diode Pid / Diode S, Welding Pen R / Welding Pen S или к 3-м Labor S.
Производитель: LEISTER (ЛЯЙСТЕР) – Швейцария.
Преимущества нагнетателя воздуха в ручные сварочные термофены Leister Robust:
- Компактная конструкция, большая мощность
- Имеет высокую производительность для своих габаритов
- Широкий выбор принадлежностей позволяет переоборудовать вентилятор для использования в различных целях
- Для непрерывной эксплуатации
- Низкий уровень шума
- Применяется для решения различных задач при внешней температуре до 60°C
| Изображение | Артикул | Наименование | 
| 107.350 | Воздушный шланг из ПВХ, Ø 19 мм | |
| 107.290 | Хомут для шланга ∅ 19 мм | |
|  | 107.242 | Заглушка ∅ 19 мм насаживается на переходник 107.298 | 
| 107.354 | Фильтрующая насадка насаживается на патрубок | |
| 108.623 | Конденсатор электродвигателя 230 В | |
| 107.298 | Переходник Ø 38 мм с 2-мя воздушными выходами для шланга Ø 20 мм насаживается на выходной патрубок и переходник 107.293 для шлангового соединения | |
| 107.281 | Переходник Ø 38 мм с 3-мя воздушными выходами для шланга Ø 14 мм насаживается на выходной патрубок и переходник 107.293 для шлангового соединения | |
| 107.286 | Воздушный шланг из ПВХ, Ø 38 мм | |
| 107.287 | Хомут для шланга Ø 60 мм | |
| 107.241 | Заглушка Ø 38 мм насаживается на переходник 107.292 и 107.293 | |
| 107.293 | Переходник Ø 38 мм с 2-мя воздушными выходами для шланга Ø 38 мм насаживается на адаптер 107.292 или 107.291 | |
| 108.755 | Ручной регулятор подачи воздуха с выключателем (214 × 88 × 133 мм) | |
| 107.299 | Выключатель подачи воздуха (поток воздуха, идущий к нагревателю прерывается с помощью импульса сжатого воздуха 5 бар), 214 × 88 × 133 мм | 
Цена и технические характеристики нагнетателя воздуха в ручные сварочные термофены Leister Robust:
Технический паяльный фен
- 
					Алмазные коронки по железобетону Kern Diamond Bit Concrete Premium 56 ммДиаметр: 56 ммРабочая длина: 450 ммЦена: 7 000 руб.
- 
					Алмазные коронки по железобетону Kern Diamond Bit Concrete Premium 425 ммДиаметр: 425 ммРабочая длина: 450 ммЦена: по запросу
- 
					Комплект для сварки изделий из пластика СварПом СП11Мощность: 1,6 кВтРасход воздуха: 180 л/минЦена: 29 440 руб.
- 
					Алмазные коронки по железобетону Kern Diamond Bit Concrete Premium 32 ммДиаметр: 32 ммРабочая длина: 450 ммЦена: 5 700 руб.
- 
					Алмазные коронки по железобетону Kern Diamond Bit Concrete Premium 62 ммДиаметр: 62 ммРабочая длина: 450 ммЦена: 7 800 руб.
- 
					Алмазная коронка для сухого бурения с микроударом Адель Diamond Hit DH-D401 172 ммДиаметр: 172 ммРабочая длина: 450 ммЦена: 21 100 руб.
- 
					Химическое средство для промывки Finktec FINK-KesselsteinloserКонцентрация: 3 - 10%Плотность: 1,14 г/см³Цена: по запросу
- 
					Алмазная коронка для сухого бурения с микроударом Адель Diamond Hit DH-D400 126 ммДиаметр: 126 ммРабочая длина: 450 ммЦена: 11 900 руб.
Новости
- 
								21.11.2024Поступление желобонакатчиков GruvMaster - Новинка на Российском рынке!
- 
								27.12.2023С новым 2024 годом!
- 
								20.12.2022Режим работы в Новогодние праздники
- 
								12.10.2022ФСБ сообщила о попытке теракта с ПЗРК «Игла» в Подмосковье
- 
								08.12.2020Гибридная модель IBM для облачных вычислений
 
				











Отзывы
Оставьте Ваш отзыв